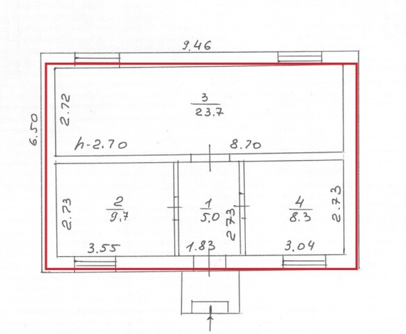
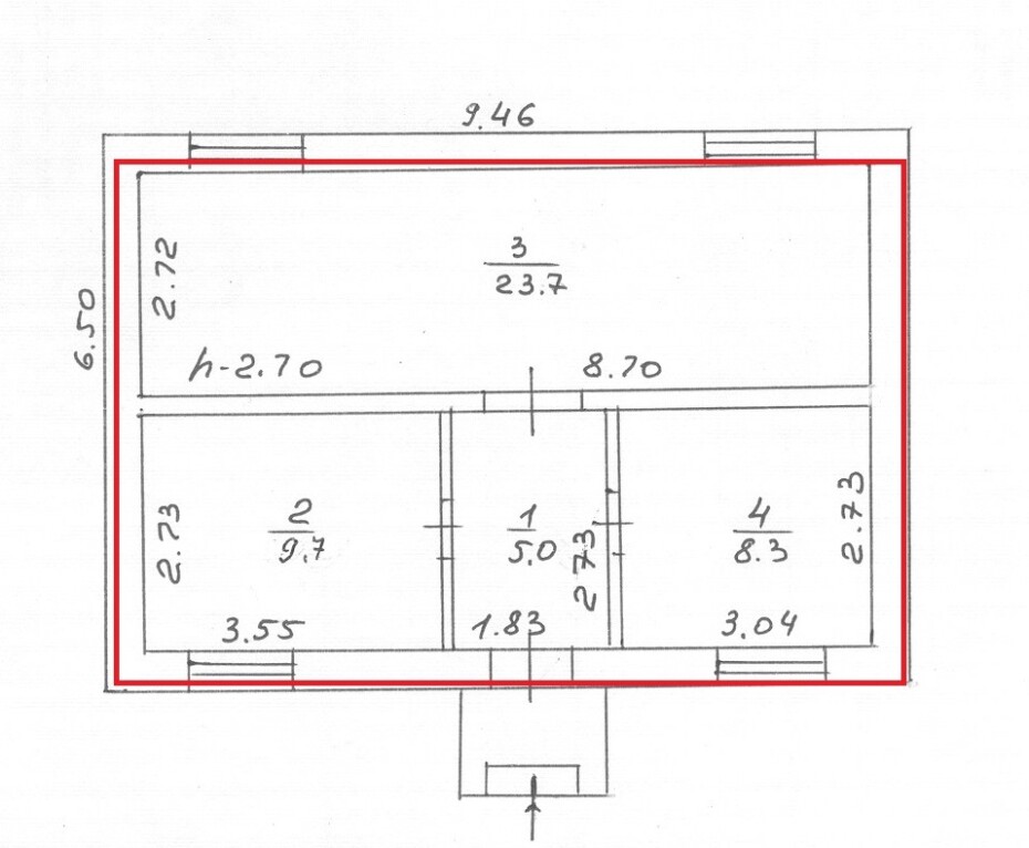
Сумська обл., Охтирський р-н., с. Чернеччина, вул. Заводська, буд.1; Оренда – нежитлова будівля, площею 46,7 кв.м. (В)

500.62 грн
10.72 грн / м2
Україна, Сумська обл., Чернеччина, вул. Заводська, буд. 1
Перейти до аукціону на сайті
  • Інформація
  • Опис
  • Документи
Дата оголошення пропозиції:
02 жовтня 2024
Площа:
46.70 м2
Тип об’єкта:
Приміщення
Тип аукціону:
Англійський аукціон
Статус аукціону:
Аукціон не відбувся
Тип угоди:
Оренда
Розмір мінімального кроку:
20.00 ₴
Розмір гарантійного внеску:
300.37 ₴
Початок прийому пропозицій:
02.10.2024 14:34:17
Завершення прийому пропозицій:
04.11.2024 20:00:00
Проведення аукціону:
05.11.2024 11:35:00
Лот:
CLE001-UA-20241002-65625
№ лоту (УТК):
UTK200721_07T
Лот виставляється на торги (раз):
10
Стислий опис майна:
Пропонується до оренди нежитлова будівля площею 46,7 кв.м. Будівля знаходиться в прицентральній частині села. Можливість передачі приміщень в суборенду. Можливість внутрішніх перепланувань. Окремий вхід з вулиці. Доступ вільний 24/7. Характеристики: • Кількість поверхів – 1; • Загальна площа – 46,70 кв.м.; • Площа запропонована до оренди - 46,70 кв.м.; • Опалення, водопостачання, електропостачання – відсутні; • Дозволена потужність – 0,8 кВт; • Земельна ділянка – 0,0168 га (договір оренди).
Адреса місцезнаходження майна:
Україна, Сумська обл., Чернеччина, вул. Заводська, буд. 1
Схожі пропозиції
Сумська обл., м. Конотоп, пл. Миру, буд. 4. Оренда – приміщення 2-го поверху площею 14,50 кв.м. (В)
721.52 грн
49.76 грн / м2
Приміщення
Сумська обл., м. Конотоп, пл. Миру, буд. 4. Оренда – приміщення 2-го поверху площею 14,50 кв.м. (В)
Україна, Сумська обл., Конотоп, пл. Миру, буд. 4
03.06.2025
Сумська обл., Шосткинський р-н., с Зарічне, вул. Ювілейна, буд. 3 . Оренда – приміщення нежитлове площею 33,6 кв.м. (В)
500.64 грн
14.90 грн / м2
Приміщення
Сумська обл., Шосткинський р-н., с Зарічне, вул. Ювілейна, буд. 3 . Оренда – приміщення нежитлове площею 33,6 кв.м. (В)
Україна, Сумська обл., Шосткинський р-н., с Зарічне, вул. Ювілейна, буд. 3
Сумська обл., м. Суми, вул. Воскресенська, буд. 13/7. Оренда – підвальне приміщення площею 109,90 кв.м. (В)
8 216.12 грн
74.76 грн / м2
Приміщення
Сумська обл., м. Суми, вул. Воскресенська, буд. 13/7. Оренда – підвальне приміщення площею 109,90 кв.м. (В)
Україна, Сумська обл., м. Суми, вул. Воскресенська, буд. 13/7
21.01.2025
Сумська область, Конотопський р-н, м. Буринь, вул. Першотравнева, буд. 5;  Оренда – приміщення гаражу площею 54,20 кв. м. (В)
533.87 грн
9.85 грн / м2
Приміщення
Сумська область, Конотопський р-н, м. Буринь, вул. Першотравнева, буд. 5; Оренда – приміщення гаражу площею 54,20 кв. м. (В)
Україна, Сумська обл., Буринь, вул. Першотравнева , 5
Переглянуті пропозиції
Рівненська обл., м. Сарни, Широка 33 Оренда приміщення 1 пов.
758.16 грн
23.40 грн / м2
Приміщення
Рівненська обл., м. Сарни, Широка 33 Оренда приміщення 1 пов.
Україна, Рівненська обл., м. Сарни, вул. Широка, буд. 33
Харківська обл., м. Лозова, вул. Михайла Грушевського, 7. Оренда – приміщення 1-го та 2-го поверхів
12 961.80 грн
22.80 грн / м2
Приміщення
Харківська обл., м. Лозова, вул. Михайла Грушевського, 7. Оренда – приміщення 1-го та 2-го поверхів
Україна, Харківська обл., м. Лозова, вул. Михайла Грушевського, буд. 7
17.11.2020
ГОЛЛАНДСЬКИЙ АУКЦІОН. Полтавська обл., м. Миргород, вулиця Гоголя, буд. 96/9 . Оренда – приміщення 3-го поверху площею 20,1 кв.м. (В)
818.07 грн
40.70 грн / м2
Приміщення
ГОЛЛАНДСЬКИЙ АУКЦІОН. Полтавська обл., м. Миргород, вулиця Гоголя, буд. 96/9 . Оренда – приміщення 3-го поверху площею 20,1 кв.м. (В)
Україна, Полтавська обл., м. Миргород, вул. Гоголя, буд. 96/9
Полтавська обл., м. Кременчук, вул. Вадима Пугачова, 12 Оренда приміщень 3й пов.
30 251.52 грн
46.80 грн / м2
Приміщення
Полтавська обл., м. Кременчук, вул. Вадима Пугачова, 12 Оренда приміщень 3й пов.
Україна, Полтавська обл., м. Кременчук, вул. Вадима Пугачова, 12