Полтавська обл., Кременчуцького р-н, м. Горішні Плавні, вулиця Миру, 18. Оренда – будівля дизельної та гараж загальною площею 109,00 кв.м. (В)

4 284.79 грн
39.31 грн / м2
Україна, Полтавська обл., Горішні Плавні, вулиця Миру, 18
Перейти до аукціону на сайті
  • Інформація
  • Опис
  • Документи
Дата оголошення пропозиції:
30 травня 2025
Площа:
109.00 м2
Тип об’єкта:
Будівля
Тип аукціону:
Англійський аукціон
Статус аукціону:
Аукціон не відбувся
Тип угоди:
Оренда
Розмір мінімального кроку:
100.00 ₴
Розмір гарантійного внеску:
2 570.87 ₴
Початок прийому пропозицій:
30.05.2025 04:15:08
Завершення прийому пропозицій:
30.06.2025 20:00:00
Проведення аукціону:
01.07.2025 12:25:00
Лот:
CLE001-UA-20250530-20872
№ лоту (УТК):
UTK250425_05U
Лот виставляється на торги (раз):
2
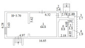
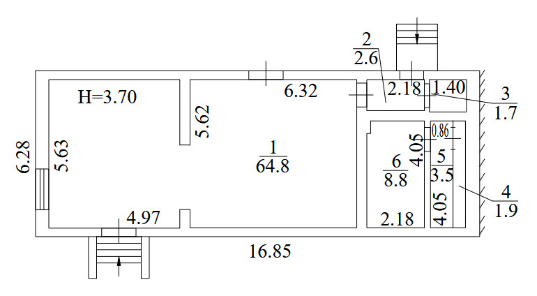
Стислий опис майна:
Пропонується до оренди будівля дизельної та гараж, загальною площею 109,00 кв.м. Будівля знаходиться в центрі міста Горішні Плавні. Вхід в приміщення окремий. Зручна транспортна розв’язка та інфраструктура. Характеристики Кількість поверхів – 1; Загальна площа – 109 кв.м_ Площа запропонована до оренди - 109,00 кв.м Електропостачання - відсутнє Теплопостачання-відсутне Земельна ділянка – 0,4044 га (договір оренди)
Адреса місцезнаходження майна:
Україна, Полтавська обл., Горішні Плавні, вулиця Миру, 18
Схожі пропозиції
20.12.2023
Полтавська обл., Лубенський р-н, с. Засулля, вул. Молодіжна, буд.20. Оренда – одноповерхова будівля площею 189,80 кв.м. (В)
1 275.46 грн
6.72 грн / м2
Будівля
Полтавська обл., Лубенський р-н, с. Засулля, вул. Молодіжна, буд.20. Оренда – одноповерхова будівля площею 189,80 кв.м. (В)
Україна, Полтавська обл., Лубенський р-н, с. Засулля, вул. Молодіжна, буд.20
17.11.2023
Полтавська обл., Кременчуцький р-н., с. Вишняки, вул. Шкільна,14;   Оренда – Частина будівлі площею 41,2 кв.м. (В)
500.58 грн
12.15 грн / м2
Будівля
Полтавська обл., Кременчуцький р-н., с. Вишняки, вул. Шкільна,14; Оренда – Частина будівлі площею 41,2 кв.м. (В)
Україна, Полтавська обл., Вишняки, вул. Шкільна,14
19.05.2023
Полтавська обл., Кременчуцький р-н., с. Вишняки, вул. Шкільна,14. Оренда – Частина будівлі площею 41,2 кв.м. (В)
500.58 грн
12.15 грн / м2
Будівля
Полтавська обл., Кременчуцький р-н., с. Вишняки, вул. Шкільна,14. Оренда – Частина будівлі площею 41,2 кв.м. (В)
Україна, Полтавська обл., Вишняки, вул. Шкільна,14
05.06.2024
Полтавська обл., Лубенський р-н, с. Засулля, вул. Молодіжна, буд.20. Оренда – одноповерхова будівля площею 189,80 кв.м. (В)
1 341.89 грн
7.07 грн / м2
Будівля
Полтавська обл., Лубенський р-н, с. Засулля, вул. Молодіжна, буд.20. Оренда – одноповерхова будівля площею 189,80 кв.м. (В)
Україна, Полтавська обл., Лубенський р-н, с. Засулля, вул. Молодіжна, буд.20
Переглянуті пропозиції
15.08.2023
м. Київ, вул. Василя Макуха (Шевцова Івана), 5. Довгострокова оренда – приміщення 3-го поверху площею 905,3 м2 (В)
132 137.59 грн
145.96 грн / м2
Приміщення
м. Київ, вул. Василя Макуха (Шевцова Івана), 5. Довгострокова оренда – приміщення 3-го поверху площею 905,3 м2 (В)
Україна, м.Київ, Київ, вул. Василя Макуха (Шевцова Івана), 5
01.11.2023
Львівська обл. м. Радехів, вул. Львівська, 24. Оренда – приміщення 2- го поверху площею 105,20 кв.м. (В)
1 256.09 грн
11.94 грн / м2
Приміщення
Львівська обл. м. Радехів, вул. Львівська, 24. Оренда – приміщення 2- го поверху площею 105,20 кв.м. (В)
Україна, Львівська обл., м. Радехів, вул. Львівська, 24
Харківська обл., м. Красноград, вул. Соборна, 56. Оренда – приміщення 1-го поверху
307.88 грн
38.01 грн / м2
Приміщення
Харківська обл., м. Красноград, вул. Соборна, 56. Оренда – приміщення 1-го поверху
Україна, Харківська обл., м. Красноград, вул. Соборна, буд. 56
09.09.2025
м. Київ, пр-т. Академіка Глушкова, 38 (Голосіївський р-н). Оренда – приміщення 1-го поверху, загальною площею – 143,60 кв. м.  (В)
15 862.06 грн
110.46 грн / м2
Приміщення
м. Київ, пр-т. Академіка Глушкова, 38 (Голосіївський р-н). Оренда – приміщення 1-го поверху, загальною площею – 143,60 кв. м. (В)
Україна, м.Київ, Київ, 03187, м. Київ, пр-т. Академіка Глушкова, 38 (Голосіївський р-н)