м. Київ, вул. Наталії Ужвій 1 (Подільський р-н). Оренда – приміщення 3-го поверху, загальною площею – 68,50 м. кв. (В)

4 479.90 грн
65.40 грн / м2
Україна, м.Київ, Київ, 04108, м. Київ, вул. Наталії Ужвій 1
Перейти до аукціону на сайті
  • Інформація
  • Опис
  • Документи
Дата оголошення пропозиції:
01 липня 2025
Площа:
68.50 м2
Тип об’єкта:
Приміщення
Тип аукціону:
Англійський аукціон
Статус аукціону:
Аукціон не відбувся
Тип угоди:
Оренда
Розмір мінімального кроку:
300.00 ₴
Розмір гарантійного внеску:
2 687.94 ₴
Початок прийому пропозицій:
01.07.2025 01:35:01
Завершення прийому пропозицій:
30.07.2025 20:00:00
Проведення аукціону:
31.07.2025 12:40:00
Лот:
CLE001-UA-20250630-71232
№ лоту (УТК):
UTK070325_04U
Лот виставляється на торги (раз):
4
Стислий опис майна:
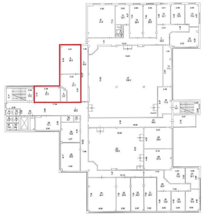
Пропонуються до оренди приміщення 3-го поверху, загальною площею68,50 м. кв. Будівля розташована у Подільському районі міста Києва, житловий масив Мостицький. Поруч розвинена інфраструктура, зупинки маршрутного транспорту, кафе. Характеристики: • кількість поверхів – 3; • загальна площа об'єкта – 5230,70 кв. м.; • земельна ділянка – 0,3222 га*; • дозволена потужність – 3,00 кВт; • водозабезпечення, сан. вузол, каналізація – присутні (загальний на поверсі); • опалення - централізоване (присутнє). *земельна ділянка не є предметом оренди.
Адреса місцезнаходження майна:
Україна, м.Київ, Київ, 04108, м. Київ, вул. Наталії Ужвій 1
Схожі пропозиції
13.09.2022
м. Київ, вул. Дегтярівська, 28-А. Оренда – приміщення 1-го поверху площею 115,95 кв.м. (В)
14 943.64 грн
128.88 грн / м2
Приміщення
м. Київ, вул. Дегтярівська, 28-А. Оренда – приміщення 1-го поверху площею 115,95 кв.м. (В)
Україна, м.Київ, Київ, вулиця Дегтярівська, 28А
22.07.2025
Довгострокова оренда! м. Київ, бульвар Амвросія Бучми, 5 (Дніпровський р-н), літ. «А». Оренда – частина нежилої будівлі літ. «А», приміщення підвалу, 1,2,3 та 5 поверхів площею 1512,80 кв.м. (В)
м. Київ, вул. Феодори Пушиної, 27-А, оренда - приміщення 3-го поверху, площею 12,60 м. кв. (В)
2 949.41 грн
234.08 грн / м2
Приміщення
м. Київ, вул. Феодори Пушиної, 27-А, оренда - приміщення 3-го поверху, площею 12,60 м. кв. (В)
Україна, м.Київ, Київ, вул. Феодори Пушиної, 27
30.03.2023
м. Київ, вул. Антоновича, 40. Оренда – приміщення підвалу площею 77,0 кв.м. (В)
13 630.54 грн
177.02 грн / м2
Приміщення
м. Київ, вул. Антоновича, 40. Оренда – приміщення підвалу площею 77,0 кв.м. (В)
Україна, м.Київ, Київ, вул. Антоновича, 40