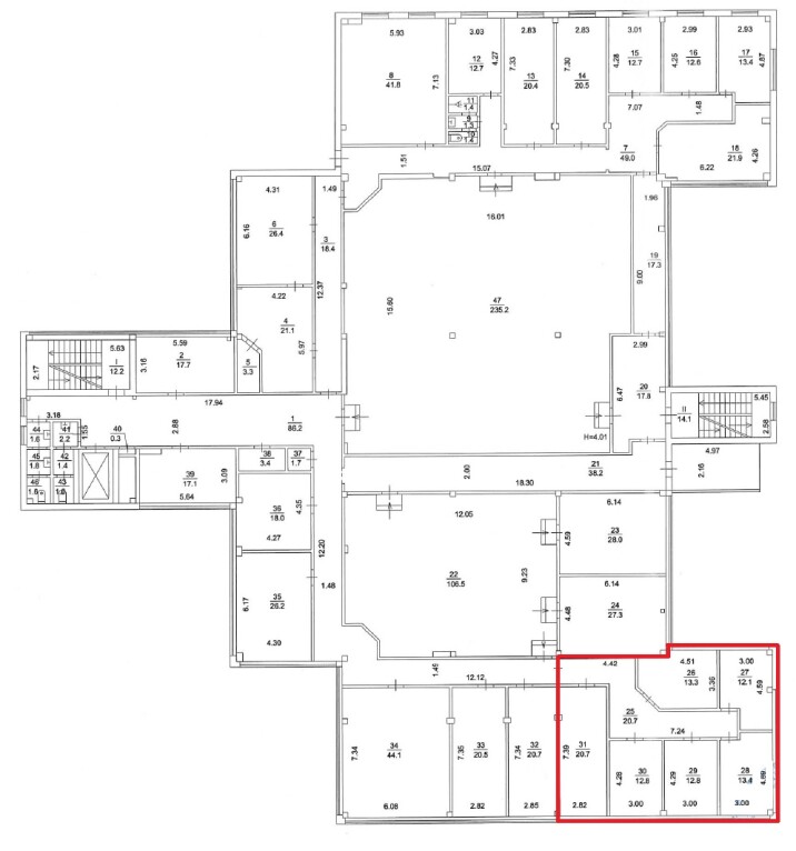
м. Київ, вул. Наталії Ужвій 1 (Подільський р-н). Оренда – приміщення 3-го поверху, загальною площею – 105,80 м. кв. (В)

6 919.32 грн
65.40 грн / м2
Україна, м.Київ, Київ, 04108, м. Київ, вул. Наталії Ужвій 1
Перейти до аукціону на сайті
  • Інформація
  • Опис
  • Документи
Дата оголошення пропозиції:
01 липня 2025
Площа:
105.80 м2
Тип об’єкта:
Приміщення
Тип аукціону:
Англійський аукціон
Статус аукціону:
Аукціон не відбувся
Тип угоди:
Оренда
Розмір мінімального кроку:
300.00 ₴
Розмір гарантійного внеску:
4 151.59 ₴
Початок прийому пропозицій:
01.07.2025 01:37:25
Завершення прийому пропозицій:
30.07.2025 20:00:00
Проведення аукціону:
31.07.2025 12:20:00
Лот:
CLE001-UA-20250630-26162
№ лоту (УТК):
UTK070325_05U
Лот виставляється на торги (раз):
4
Стислий опис майна:
Пропонуються до оренди приміщення 3-го поверху, загальною площею105,80 м. кв. Будівля розташована у Подільському районі міста Києва, житловий масив Мостицький. Поруч розвинена інфраструктура, зупинки маршрутного транспорту, кафе. Характеристики: • кількість поверхів – 3; • загальна площа об'єкта – 5230,70 кв. м.; • земельна ділянка – 0,3222 га*; • дозволена потужність – 5,00 кВт; • водозабезпечення, сан. вузол, каналізація – присутні (загальний на поверсі); • опалення - централізоване (присутнє). *земельна ділянка не є предметом оренди.
Адреса місцезнаходження майна:
Україна, м.Київ, Київ, 04108, м. Київ, вул. Наталії Ужвій 1
Схожі пропозиції
20.02.2024
м.Київ, вул. Миколи Голего,8;   Оренда–приміщення 3-го поверху площею 79,7кв.м.(В)
11 301.46 грн
141.80 грн / м2
Приміщення
м.Київ, вул. Миколи Голего,8; Оренда–приміщення 3-го поверху площею 79,7кв.м.(В)
Україна, м.Київ, Київ, вулиця Миколи Голего, 8
11.05.2023
м. Київ, вул. Василя Макуха (Івана Шевцова), 5 Оренда – приміщення 1-го поверху будівлі, площею 401,5 м2 (В)
61 453.59 грн
153.06 грн / м2
Приміщення
м. Київ, вул. Василя Макуха (Івана Шевцова), 5 Оренда – приміщення 1-го поверху будівлі, площею 401,5 м2 (В)
Україна, м.Київ, м. Київ, вулиця Василя Макуха (Івана Шевцова), 5
19.09.2023
ДОВГОСТРОКОВА ОРЕНДА! м. Київ, вул. Героїв Севастополя, 39/8 літ. «Е». Оренда – приміщення 2-го та 4-го поверхів, площею 1751,8 м2 (В)
239 944.05 грн
136.97 грн / м2
Приміщення
ДОВГОСТРОКОВА ОРЕНДА! м. Київ, вул. Героїв Севастополя, 39/8 літ. «Е». Оренда – приміщення 2-го та 4-го поверхів, площею 1751,8 м2 (В)
Україна, м.Київ, Київ, вулиця Героїв Севастополя, 39
08.04.2025
   ДОВГОСТРОКОВА ОРЕНДА!   м. Київ, вул. Антоновича, 40;  Оренда – група приміщень на 4-му поверсі, площею - 774,90 кв.м. (В)