Рівненська обл., м. Рівне вул. Міцкевича, 2. Оренда – приміщення 2-го поверху загальною площею 175,5 м. кв. (П)

9 764.82 грн
55.64 грн / м2
Україна, Рівненська обл., м. Рівне, вул. Міцкевича, 2
Перейти до аукціону на сайті
  • Інформація
  • Опис
  • Документи
Дата оголошення пропозиції:
20 квітня 2023
Площа:
175.50 м2
Тип об’єкта:
Приміщення
Тип аукціону:
Англійський аукціон
Статус аукціону:
Аукціон не відбувся
Тип угоди:
Оренда
Розмір мінімального кроку:
200.00 ₴
Розмір гарантійного внеску:
5 858.89 ₴
Початок прийому пропозицій:
20.04.2023 12:16:57
Завершення прийому пропозицій:
23.05.2023 20:00:00
Проведення аукціону:
24.05.2023 11:30:00
Лот:
CLE001-UA-20230420-01331
№ лоту (УТК):
UTK130323_09P
Лот виставляється на торги (раз):
2
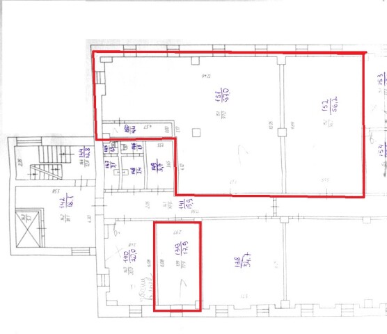
Стислий опис майна:
Пропонуються до оренди приміщення 2-го поверху загальною площею 175,5 кв.м. Будівля знаходиться в центральній частині міста. Розвинена інфраструктура, високі автомобільний та пішохідний потоки. Поряд стоянка для автомобілів, центральна площа. Характеристики: Кількість поверхів – 5; Загальна площа – 5671,6 кв.м.; Площа, запропонована до оренди – 175,5 кв.м. ; Опалення – централізоване ; • Земельна ділянка - площа 0,4563 га. (договір оренди)
Адреса місцезнаходження майна:
Україна, Рівненська обл., м. Рівне, вул. Міцкевича, 2
Схожі пропозиції
25.05.2023
Рівненська обл., Рівненський р-н, с. Здовбиця, вул. Шосова, 107. Оренда – нежитлові приміщення площею 80,3 м. кв. (В)
1 388.39 грн
17.29 грн / м2
Приміщення
Рівненська обл., Рівненський р-н, с. Здовбиця, вул. Шосова, 107. Оренда – нежитлові приміщення площею 80,3 м. кв. (В)
Україна, Рівненська обл., Рівненський р-н, с. Здовбиця, вул. Шосова, 107
14.05.2024
Рівненська обл., Вараський р-н., с. Антонівка, вул. Хмельницького, 8а. Оренда – нежитлові приміщення площею 75,6 кв.м. (В)
2 761.67 грн
36.53 грн / м2
Приміщення
Рівненська обл., Вараський р-н., с. Антонівка, вул. Хмельницького, 8а. Оренда – нежитлові приміщення площею 75,6 кв.м. (В)
Україна, Рівненська обл., Вараський р-н., с. Антонівка, вул. Хмельницького, 8а
25.07.2025
Рівненська обл., Вараський р-н., с. Довговоля, вул. Грушевського, 9/2а. Оренда – нежитлові приміщення площею 33,4 кв.м. (В)
822.31 грн
24.62 грн / м2
Приміщення
Рівненська обл., Вараський р-н., с. Довговоля, вул. Грушевського, 9/2а. Оренда – нежитлові приміщення площею 33,4 кв.м. (В)
Україна, Рівненська обл., Вараський р-н., с. Довговоля, вул. Грушевського, 9/2а
28.02.2025
ДОВГОСТРОКОВА ОРЕНДА! Рівненська обл., м. Рівне, вул. Орлова, 37. Оренда – приміщення 5-го поверху загальною площею 703 кв.м. (В)